Schrumpfprodukte/ Schrumpfende Formteile
Kostenvoranschlag erhalten
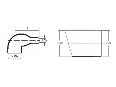
Modell: CYG-HB
L Typ Produktdesign und Größe
| P/N | Größe bei Lieferung | Größe nach Erholen |
| H min | J Min | H max | HW | J max | JW | P |
| CYG-HB-L2 | 24.0 | 24.0 | 9.0 | 1.5±0.1 | 4.5 | 1.4±0.1 | 30.0 |
| CYG-HB-L3 | 28.5 | 28.5 | 14.0 | 1.5±0.1 | 6.0 | 1.4±0.1 | 38.5 |
| CYG-HB-L4 | 31.0 | 31.0 | 17.0 | 1.8±0.1 | 6.6 | 1.8±0.1 | 42.0 |
| CYG-HB-L5 | 36.0 | 36.0 | 21.0 | 1.9±0.1 | 8.0 | 1.9±0.1 | 52.5 |
| CYG-HB-L6 | 43.0 | 43.0 | 27.0 | 2.2±0.1 | 9.0 | 2.2±0.1 | 62.0 |
| CYG-HB-L7 | 55.0 | 55.0 | 34.0 | 3.0±0.1 | 14.0 | 3.0±0.1 | 80.0 |
Y Typ Produktdesign und Größe
| P/N | Größe bei Lieferung | Größe nach Erholen |
| H min | (J&K) min | H max | HW | (J&K) max | (J&K)W | P |
| CYG-HB-Y1 | 14.5 | 7.0 | 5.5 | 2.2±0.1 | 3.0 | 1.2±0.1 | 50 |
| CYG-HB-Y2 | 26.4 | 13.0 | 12.4 | 2.5±0.15 | 6.1 | 1.5±0.1 | 90 |
| CYG-HB-Y3 | 39.0 | 27.0 | 17.0 | 3.2±0.2 | 11.5 | 2.8±0.1 | 160 |
W Typ Produktdesign und Größe
| P/N | Größe bei Lieferung | Größe nach Erholen |
| H min | (J&K&L&N) Min | H max | HW | (J&K&L&N) max | (J&K&L&N) W | P |
| CYG-HB-W1 | 13.0 | 7.0 | 5.5 | 2.0±0.1 | 3.0 | 1.2±0.1 | 70 |
| CYG-HB-W2 | 27.0 | 13.0 | 13.5 | 2.5±0.15 | 6.0 | 1.8±0.1 | 108 |
| CYG-HB-W3 | 39.0 | 19.0 | 18.0 | 3.0±0.2 | 8.5 | 2.0±0.1 | 155 |
S Typ Produktdesign und Größe
| P/N | Größe bei Lieferung | Größe nach Erholen |
| H min | (J&K&L) Min | H max | HW | (J&K&L) max | (J&K&L) W | P |
| CYG-HB-S1 | 13.0 | 7.0 | 6 | 1.8±0.1 | 3.0 | 1.2±0.1 | 55 |
| CYG-HB-S2 | 27.0 | 13.0 | 13.5 | 2.5±0.15 | 6.0 | 2.28±0.1 | 112 |
| CYG-HB-S3 | 39.0 | 19.0 | 18.0 | 3.2±0.2 | 8.5 | 2.5±0.1 | 150 |
I Typ Produktdesign und Größe
| P/N | Größe bei Lieferung | Größe nach Erholen |
| H min | J Min | H max | HW | J max | JW | P |
| CYG-HB-I0 | 19 | 6.0 | 13.5 | 2.0±0.1 | 3.5 | 1.6±0.1 | 53.0 |
| CYG-HB-I1 | 18 | 18.0 | 5.0 | 1.8±0.1 | 3.0 | 1.5±0.1 | 36.0 |
| CYG-HB-I2 | 24 | 24.0 | 10.0 | 2.0±0.1 | 5.0 | 1.8±0.1 | 38.0 |
| CYG-HB-I3 | 28.5 | 28.5 | 14.0 | 2.0±0.1 | 5.9 | 1.8±0.1 | 60.5 |
| CYG-HB-I4 | 31.0 | 31.0 | 17.0 | 2.0±0.1 | 6.6 | 2.0±0.1 | 75.0 |
| CYG-HB-I5 | 36.0 | 36.0 | 21.0 | 2.0±0.1 | 7.8 | 2.0±0.1 | 87.7 |
| CYG-HB-I6 | 43.0 | 43.0 | 28.0 | 2.2±0.1 | 10.8 | 2.2±0.1 | 113.5 |
| CYG-HB-I7 | 55.0 | 55.0 | 34.0 | 2.5±0.1 | 14.5 | 2.5±0.1 | 135.0 |