500-750W Antriebsmotor, bürstenloser DC Motor, PMDC Motor GF057AQH
Kostenvoranschlag erhalten
Anwendungsbereiche: Elektronische Laufbänder
Technische Angaben
| Nennleistung (W) | 500 | 750 |
| Max. Leistung (W) | 1000 | 1500 |
| Nennspannung (V) | 110/220 | 110/220 |
| Leerlaufstrom (A) | ≤0.5 / 0.3 | ≤0.7 / 0.5 |
| Drehzahl (RPM) | 3700 | 5100 |
| Nenndrehmoment (N•m) | 1.9 | 1.9 |
| Max. Drehmoment (N•m) | 8.0 | 8.0 |
| Nenndrehzahl (RPM) | 2500 | 3700 |
| Nennstrom (A) | 4.5/2.5 | 7/3.5 |
| Nennwirkungsgrad (%) | ≥70 | ≥70 |
| Betriebsdurchläufe (min.) | S1 | S1 |
| Isolierung | F | F |
| Schutzart | IP20 | IP20 |
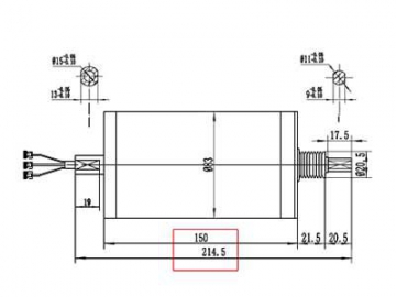
| Länge (L/mm) | 150 | 150 |
| Laufbandgeschwindigkeit (km/h) | 8.0 | 12.0 |
Hinweis: Wir stellen bürstenlose DC Motoren auch als Sonderanfertigungen ganz nach Ihren Anforderungen.

