EMY90S-4-JX16 AC Getriebemotor
Kostenvoranschlag erhalten
Anwendungsbereiche
Haus und Heim/ Industrie/ Marine/ LKW/ Fahrzeugteile/ Textilien
Einbauanleitung
Je nach Kundenanforderungen individuell/ anpassbar
Technische Daten
| Produktmodell | Spannung | Drehmoment | Geschwindigkeit | Leistung | Strom | Betriebsbelastung | Schutzart | weitere |
| AC380V | 100N.m | 88 RPM | 920 W | 2.6A | S2 | IP55 | 16:1 |
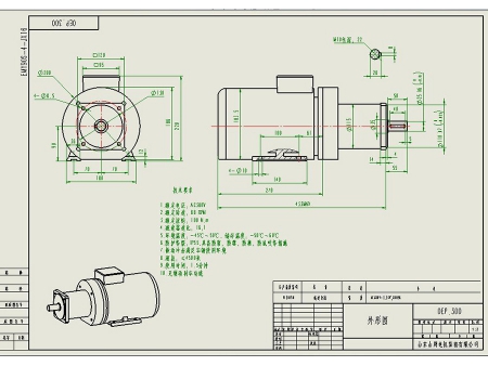
Grundriss und Aufbaumaße
Verpackung
- Innenverpackung: 1Stück/Polystyrene mit Polyethylenebeutel.
- Äußenverpackung: Karton mit gedruckten Etiketten, Schrumpffolie und Papphülle mit Etiketten und Inhaltsliste.
Kommentare
Bei diesem Motor handelt es sich um einen AC Getriebemotor mit zweiphasen Reduzierstück, davon ein Planetengetriebe und ein NMRV075 Reduzierer. Der AC Getriebemotor bietet hohe Drehmomente, automatisches Abschließen, niedrige Geschwindigkeiten und Temperaturbeständigkeit. Er eignet sich zur Übertragung bei hohen Belastungen unter niedrigen Temperaturen, niedrigen Geschwindigkeiten und hohen Drehmomenten bei 220V und 380V AC Spannung, Schutzgrad: IP55.
Verwandte Produkte
Nachricht hinterlassen
Andere Produkte
Aktuellste
Andere Produkte
Video

