Sicherheitsfilter
Sicherheitsfilter sind essenzielle Bauteile in Wasseraufbereitungsanlagen. Sie werden nach Mehrschichtfilter und vor Membranfiltern (Umkehrosmosefilter und Ultrafilter) eingesetzt. Sicherheitsfilter werden meist aus Edelstahlgehäuse und PP, Nylon oder PPMB Filterelementen gefertigt um auch kleinste Verunreinigungen heraus zu filtern (z.B. Quarzsand oder aktive Kohlepartikel). Alle Partikel, die nach der Filterung mit Mehrschichtfiltern noch im Wasser auffindlich sein können, werden durch die Sicherheitsfilter herausgefiltert. Verschiedene Filterelemente mit individuellen Filterkapazitäten sind erhältlich: 0.5μs,1μs,5μs oder 10μs. Kund*innen können sich je nach Anforderungen verschiedene Filterkapazitäten aussuchen.
Sicherheitsfilter sind höchst effizient und einfach instandzuhalten oder auszutauschen.
- Betriebsdruck: max. 1.0MPa
- Betriebstemperatur: 5℃~60℃
- Gehäuse: Edelstahl SUS304、SUS316L
- Geeignet für: Emulsion, Mineralöl, Kochöl, Wasser, etc.
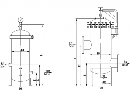
| Filtertyp | Durchmesser (φD) | Höhe Zufluss (H2) | Höhe Abfluss (H1) | Gesamthöhe (H) | Theoretische Zuflussgeschwindigkeit (m³/h) | |||
| L250 | L500 | L750 | L1000 | |||||
| JAS-1 | 108 | 90 | 45 | 380 | 650 | 0.5~1 | ||
| JAS-3 | 160 | 120 | 45 | 500 | 700 | 1.5~3 | ||
| JAS-5 | 200 | 120 | 45 | 500 | 740 | 1010 | 1290 | 2.5~10 |
| JAS-7 | 230 | 160 | 60 | 500 | 760 | 1030 | 1310 | 7~14 |
| JASL-10 | 300 | 180 | 60 | 1050 | 1500 | 15~20 | ||
| JASL-15 | 350 | 250 | 120 | 1050 | 1500 | 22~30 | ||
| JASL-20 | 400 | 250 | 120 | 1100 | 1550 | 30~40 | ||
| JASL-25 | 450 | 1050 | 350 | 1630 | 2030 | 37~50 | ||
| JASL-30 | 500 | 1200 | 350 | 1800 | 2150 | 45~60 | ||
| JASL-40 | 600 | 1200 | 400 | 1900 | 2150 | 60~80 | ||
| JASL-50 | 700 | 1200 | 400 | 1950 | 2200 | 75~100 | ||
| JASL-65 | 800 | 1350 | 400 | 2000 | 2250 | 97~130 | ||
| JASL-80 | 900 | 1350 | 450 | 2350 | 160 | |||
| JASL-100 | 1000 | 1350 | 500 | 2450 | 200 | |||

